SW2400直流接触器

您的位置 : 网站首页 > 产品中心 > 主触头多路直流接触器系列 > SW2400直流接触器
SW2400
SW2400
  • SW2400
型号:SW2400直流接触器
  • 线圈额定电压(V)

    6-240V

  • 主触点额定电流(A)

    2400A

联系电话:021-55560736
ZJ-50D直流接触器

产品介绍

Product introduction

产品用途
SW2400设计用于不间断负载切换的电信和配电应用。这些接触器主要用于直流负载,但也可用于交流电。

SW2400具有双重断裂的主触点和银合金尖端,这些尖端具有耐焊接性,耐磨损性和优异的导电性。主触点上的镀银是SW2400的标准配置,但是,也可以将其从规范中排除。这种紧凑型接触器可以垂直或水平安装母线,但是如果垂直安装,线圈应位于底部。可选附件包括辅助开关,支架,线圈表面处理和磁性锁定 - 这可以使接触器保持闭合状态,同时不消耗线圈功率。

技术数据
线路原理图
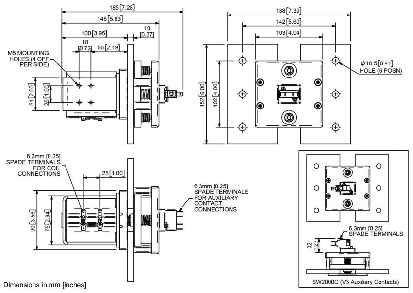
外形尺寸图
SW2400直流接触器
  • 邮  箱:cnhgq@foxmail.com 邮  编:201206
  • 厂  址:上海市曹路钦塘工业园钦塘东南1号 销售地址:上海浦东新区外高桥华申路150号2幢
  • © Copyright JOSEF Inc. All rights reserved.沪ICP备08020013号